hero-image
HOME
hero-image
project-highlight-image

Custom Electric Motor Driver

hero-image
Giovanni Dal Lago

Project Timeline

Dec 2024 - Jun-2025

OVERVIEW

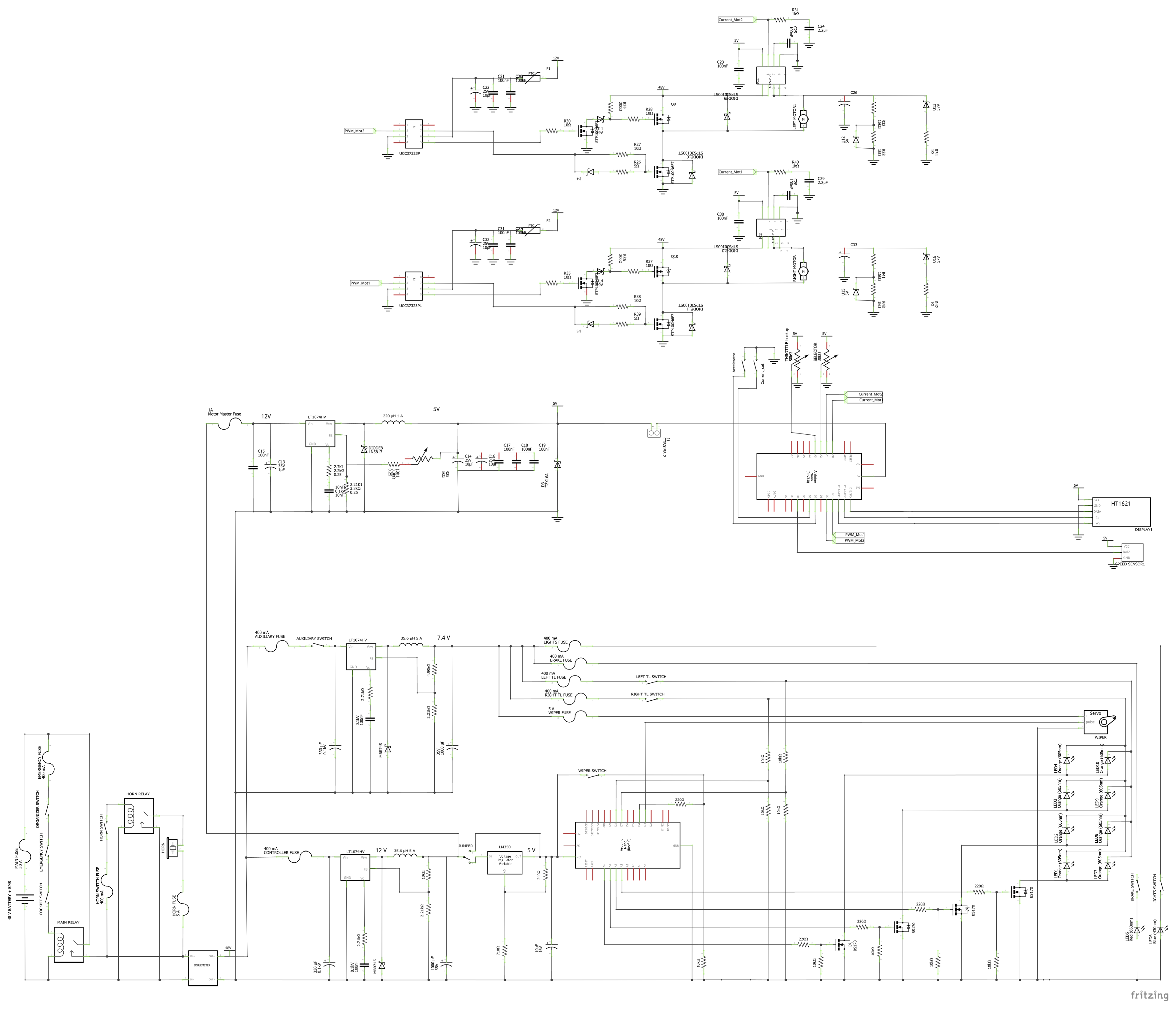
Contributed to the design and testing of an ultra-efficient electric vehicle, focusing on control systems and power optimization for the Shell Eco-marathon competition. Worked on the design of custom high-power motor driver introducing regenerative braking. Improved energy efficiency by 3% compared with the previous generation. performed PCB bring-up and hardware testing. Designed, implemented, and validated a PID-based control loop in ANSYS SCADE, achieving a 30% reduction in control system faults during testing relative to the previous generation.

SKILLS

AltiumANSYS SCADEoscilloscope soldering DMM Power Supply KiCad ANSYS SCADE

Additional Details

Schema completo 2025_schem_2.png

lowinertia
Portfolio Builder for Engineers
Created by Aram Lee
© 2025 Low Inertia. All rights reserved.