Miniature 2-Stroke Engine – Mechanical Design A (University of Birmingham)
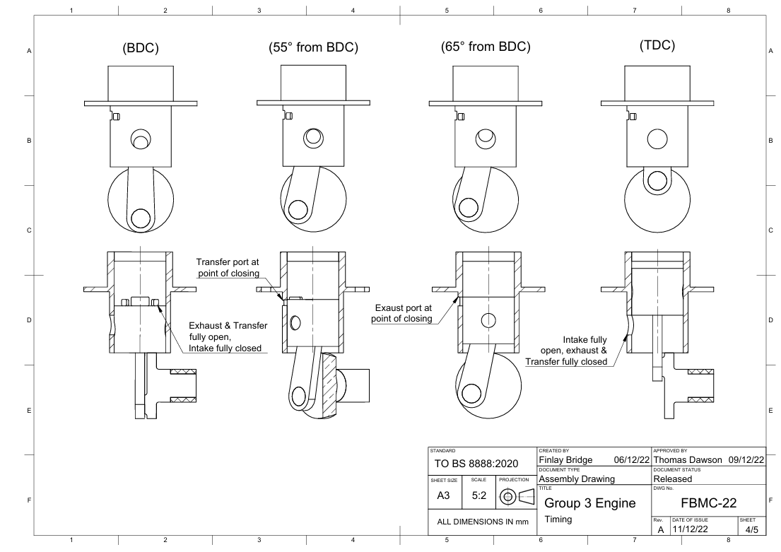
Worked in a team of three to design, manufacture, and assemble a miniature two-stroke internal combustion engine. Focused on design for manufacture and assembly (DFMA) by grouping 10 components for turning and standardising tooling to reduce machining time and cost. Applied casting, turning, milling, forging, and blow moulding to produce aluminium, steel, and polymer parts. Selected low-alloy steel for the crankshaft using CES EduPack based on fatigue strength, yield strength, and cost. Conducted a life-cycle analysis, showing a 73% energy reduction versus stainless steel. Designed sub-assemblies for semi-automated assembly, ensuring efficiency, accuracy, and recyclability.

