hero-image
HOME
hero-image
project-highlight-image

2nd Place at MEC - AI-Powered Non-Invasive Neuromuscular Control System for Prosthetics and Exoskeletons

hero-image
Arjun

Project Timeline

Nov 2025 - Nov-2025

OVERVIEW

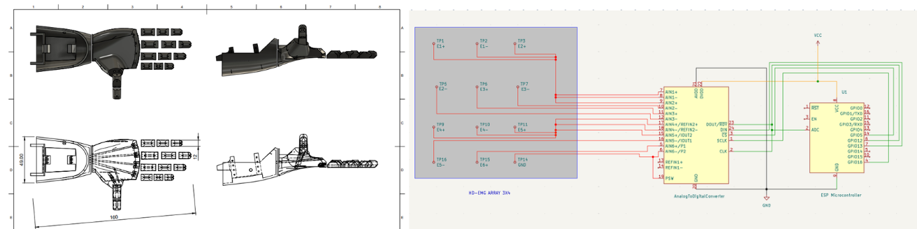
TrueMotion is a non-invasive HD-sEMG + AI control system designed to decode fine motor intent for prosthetics, exoskeletons, and mobility-assist devices. Built in 8 hours for the Metropolitan Engineering Competition (Bioengineering Stream), the project earned 2nd place, showcasing both a robust AI architecture and a functional physical prototype. Alongside the system schematics, CNN-LSTM model, and full CAD design, we also built a working prosthetic hand prototype to demonstrate baseline movement capabilities. Using an ESP8266, MG90S servos, high-strength string, and elastic harvested from COVID mask straps for natural extension, the prototype successfully performed combinational grip patterns such as pinch, power grasp, and partial finger flexion. This validated the tendon-driven mechanical design and showed how the AI intent decoder could eventually drive full finger-level control.

HighlightS

Components that we Designed Conceptually and Partially Included


- HD-sEMG concept design using a flexible dry-electrode array


- Analog front-end pipeline (amplification, band-pass + notch filtering, anti-aliasing)


- ADS1299 multi-ADC acquisition architecture


- CNN-LSTM model for spatial-temporal EMG decoding


- ESP32/ESP8266 integration


- Functional tendon-driven prosthetic hand prototype


- CAD model, system schematics, signal-processing pipelines, and a Gantt-based execution plan

SKILLS

High-Density sEMG System DesignSignal Processing (Filtering, Amplification, Noise Reduction)Embedded Systems Integration (ESP32, ESP8266)Deep Learning for Time-Series (CNN-LSTM)Real-Time Control SystemsTendon-Driven Prosthetic Mechanism DesignAnalog Front-End Design (AFE)Multi-ADC Synchronization (ADS1299)Wireless Data Streaming & Microcontroller ProgrammingRapid Prototyping & Mechanical AssemblyHardware/Software Co-DesignHuman–Machine Interface (HMI) ConceptsFusion 360 – CAD modeling for prosthetic hand + mechanical assembliesKiCad – Circuit schematics and system-level electrical designPyTorch – CNN-LSTM model development and spatial–temporal EMG analysisTorchScript – Model optimization and deployment pipelineExcel & Google Sheets – BOM creation, cost analysis, and Gantt timelineCanva – System diagrams and block-architecture visualsESP-IDF / Arduino IDE – Microcontroller programming and firmware testingESP32 + ESP8266 microcontrollersMG90S servo motorsDry HD-sEMG electrode array (conceptual)ADS1299 analog-to-digital converter chipsFishing line tendon-routing mechanismElastic tension bands (COVID mask straps used as custom extensors)3D-printed structural components
lowinertia
Portfolio Builder for Engineers
Created by Aram Lee
© 2025 Low Inertia. All rights reserved.